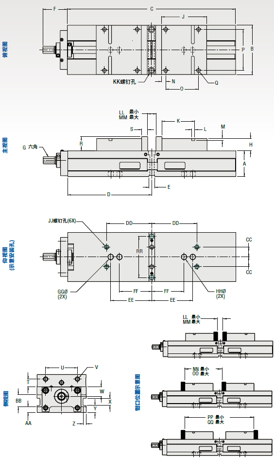
|
| 夹紧力kN |
| 扭矩Nm |
SCD430 |
SCD640 |
| 14 |
4.1 |
4.4 |
| 27 |
7.8 |
7.8 |
| 41 |
10.7 |
11.5 |
| 54 |
13.1 |
16.8 |
| 68 |
15.8 |
19.5 |
| 81 |
21.8 |
25.6 |
| 参数表 mm(in) |
|
SCD430 |
SCD640 |
| A |
60.33 |
79.38 |
| B |
101.60 |
152.40 |
| C |
393.70 |
520.70 |
| D |
196.85 |
260.35 |
| E |
(0.5005) |
(0.6880) |
| F |
60.96 |
76.20 |
| G |
(9/16) |
(3/4) |
| H |
29.21 |
37.72 |
| J |
101.60 |
139.70 |
| K |
76.20 |
101.60 |
| L |
6.35 |
9.53 |
| M |
4.78 |
6.35 |
| N |
7.92 |
12.70 |
| O |
76.20 |
101.60 |
| P |
84.12 |
127.00 |
| Q |
(5/16-18) |
(1/2-13) |
| R |
31.37 |
44.07 |
| S |
13.89 |
18.42 |
| T |
17.45 |
23.88 |
| U |
63.50 |
98.43 |
| V |
(3/8-16) |
(1/2-13) |
| W |
22.12 |
29.36 |
| X |
17.53 |
22.35 |
| Y |
17.78 |
21.59 |
| Z |
6.35 |
9.14 |
| AA |
13.97 |
17.53 |
| BB |
25.40 |
37.34 |
| CC |
20.65 |
30.18 |
| DD |
95.25 |
139.70 |
| EE |
127.00 |
127.00 |
| FF |
85.60 |
100.00 |
| GG |
(0.625) |
(0.625) |
| HH |
(0.630) |
(0.630) |
| JJ |
(5/16) |
(3/8) |
| KK |
(3/8) |
(1/2) |
| LL |
25.40 |
25.40 |
| MM |
158.75 |
203.20 |
| NN |
140.72 |
183.90 |
| OO |
274.07 |
361.70 |
| PP |
256.29 |
342.14 |
| QQ |
389.64 |
519.94 |
| RR |
76.20 |
127.00 |
| 重量kg |
18 |
45 |
|