| 返回索引 |
![]() DX100 |
DX100™CrossOverR型平口钳DX100型平口钳结合了已经被市场广泛接受使用的D40和3400V的一些特点,在各项使用参数上都优于D40,尤其适用于对平面度和平行度有更高要求的场合。该型号平口钳是使用较广泛的一款夹具产品。 |
![]() |
|
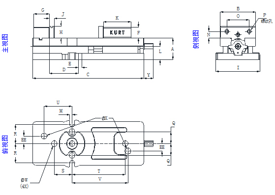
||||||||||||||||||||||||||||||||||||||||||||||||||||||||||||||||||||||||
![]() |
|
||||||||||||||||||||||||||||||||||||||||||||||||||||||||||||||||||||||||
DX100™CrossOverR型平口钳功能和特点 |
DX100和D40型的对比 |
||||
|
1. 该钳综合了"角固"、"拉式"和"上紧固定钳"的特点:
-"角固"使应力自由分解并产生下压力以减少钳口上浮
-"拉式"减少钳体在负载下变形,提高精度 2. 钳体导轨和钳口均经过硬化处理。 3. 丝杠使用中硬度钢。 4. 钳体、动钳和丝母均采用高强度球墨铸铁。 5. 张开度达165.1mm。 6. 定钳尺寸加宽,并由两个上紧固螺钉固定. |
7. 可直接栓装在40mm、50mm或2英寸的基础板台面上。 8. 可选用正弦键(未含)。 9. 直通式排屑槽便于清理。 10. 丝杠支撑件以卡环固定。 11. 标配带槽钳口和工件定位块。 12. 密封毛刷易于更换拆装清理。 13. 带防屑盖板。 14. 静电喷塑钳体和非加工铸件表面。 15. 便于多钳成组使用,在额外付费时,可以进一步保证钳身精密等高和动钳到键槽的距离精密一致。 16. 有维修保证。 |
17. DX100完全可以取代D40。 18. 张开度增大(165.1mm代替了98.4mm)。 19. 钳身高度与D40完全一致。 20. 钳身变窄以便于在有限的机床工作面上安置更多钳子并排使用。 21. 增强型轴承(同3400系列)增加使用寿命。 22. 键槽与定钳的距离与D40相同。 |
|||
![]() |








苏ICP备18021613号-1








