| 返回索引 |
|
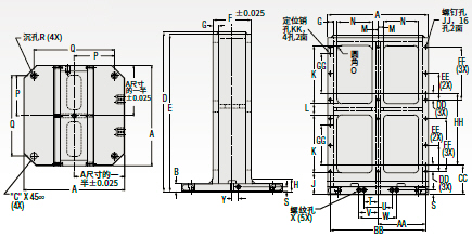
基准方箱、T型基础和基础板轻型T型基础该产品重量轻、成本低,适用于绝大部分卧加进行高效多样加工。其重 量比同规格带铝质贴面的T型基础轻30%以上。各面上的螺钉孔和定 位孔设计,使装卸基础板和其它夹具附件更为便捷。材质为30号灰铁。 |
|
||||||||||||||||||||||||||||||||||||||||||||||||||||||||||||||||||||||||||||||||||||||||||||||||||||||||||||||||||||||||||||||||||||||||||||||||||||||||||||||||||||||||||||||||||||||||||||||||||||||||||
|
||||||||||||||||||||||||||||||||||||||||||||||||||||||||||||||||||||||||||||||||||||||||||||||||||||||||||||||||||||||||||||||||||||||||||||||||||||||||||||||||||||||||||||||||||||||||||||||||||||||||||||
|
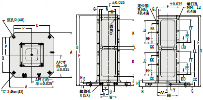
轻型方箱该产品是另一个重量轻、成本低的优秀夹具产品。其重量比同规格 带铝质贴面的方箱轻30%以上。可以安装普通和液压虎钳以及各种 其它夹具产品。可以选配基础板一起使用。材质为30号灰铁。 |
|||||||||||||||||||||||||||||||||||||||||||||||||||||||||||||||||||||||||||||||||||||||||||||||||||||||||||||||||||||||||||||||||||||||||||||||||||||||||||||||||||||||||||||||||||||||||||||||||||||||||||
|
||||||||||||||||||||||||||||||||||||||||||||||||||||||||||||||||||||||||||||||||||||||||||||||||||||||||||||||||||||||||||||||||||||||||||||||||||||||||||||||||||||||||||||||||||||||||||||||||||||||||||||
基础板 |
|||||||||||||||||||||||||||||
|
|
|




苏ICP备18021613号-1








