|
HP420-RISERKIT |
HP440-RISERKIT |
HP460-RISERKIT |
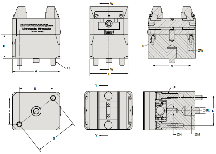
| A |
127.0 |
177.8 |
228.6 |
| J |
101.6 |
101.6 |
101.6 |
| K |
63.5 |
63.5 |
63.5 |
| P |
(1/2-13) |
(1/2-13) |
(1/2-13) |
| Q |
(1/2-13) |
(1/2-13) |
(1/2-13) |
| R |
79.4 |
79.4 |
79.4 |
| S |
114.3 |
114.3 |
114.3 |
| T |
70.3 |
70.3 |
70.3 |
| U |
90.1 |
64.7 |
90.1 |
| V |
101.6 |
101.6 |
101.6 |
| W |
Ø15.875 |
Ø15.875 |
Ø15.875 |
| X |
(1/4-20) |
(1/4-20) |
(1/4-20) |
| 重量kg |
3 |
4 |
5 |
|
|
| 备选套装钳口 |
| 型号 |
描述 |
| HP420-2S |
带齿钳口 |
| HP420-2C |
可加工钳口 |
| HP420-2 |
带燕尾钳口 |
|