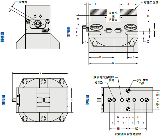
| 参数表 mm(in) |
|
SCMX425 SCMX425AL |
SCMX250 SCMX250AL |
| A |
50.80 |
58.75 |
| B |
63.50 |
101.60 |
| C |
127.00 |
203.20 |
| D |
63.50 |
101.60 |
| E |
10.34 |
10.41 |
| F |
23.11 |
26.21 |
| G |
(3/8) |
(7/16) |
| H |
38.10 |
57.15 |
| J |
50.80 |
69.85 |
| K |
150.11 |
229.36 |
| L |
34.14 |
41.28 |
| M |
25.40 |
30.18 |
| N |
0.00 |
0.00 |
| P |
28.44 |
65.02 |
| Q |
10.31Ø(2) |
13.49Ø(4) |
| S |
25.40 |
25.40 |
| T |
- |
31.75 |
| U1 |
- |
76.20 |
| U2 |
50.80 |
76.20 |
| U3 |
- |
38.10 |
| U4 |
- |
38.10 |
| V |
9.53 |
15.88 |
| W |
12.70 |
17.48 |
| X |
- |
9.53 |
| Y |
- |
12.70 |
| Z |
- |
44.45 |
| 重量 |
5kg |
14kg |
|
|
| SCMX250 |
| 扭矩Nm |
夹紧力kN |
| 14 |
1.6 |
| 27 |
3.3 |
| 41 |
5.8 |
| 54 |
8 |
|
|
| SCMX425 |
| 扭矩Nm |
夹紧力kN |
| 14 |
2.2 |
| 27 |
4.5 |
| 41 |
6.7 |
| 54 |
8.9 |
| 68 |
11.1 |
| 81 |
13.4 |
|
|
| 钳口(含有两件) |
| 货号 |
长mm |
宽mm |
高mm |
重量kg |
| SCMX250AL-JAWKIT 铝钳口 |
50.80 |
63.50 |
38.10 |
1 |
| SCMX425AL-JAWKIT 铝钳口 |
69.85 |
101.60 |
57.15 |
2 |
| SCMX250C-JAWKIT 铝钳口 |
50.80 |
63.50 |
38.10 |
2 |
| SCMX425C-JAWKIT 铝钳口 |
69.85 |
101.60 |
57.15 |
5 |
|